中大電機股份有限公司
寧波中大力德智能傳動股份有限公司成立于2006年8月,是一家集電機驅動、微特電機、精密減速器的研發、制造、銷售、服務于一體的機電自動化企業。擁有分公司2家、子公司3家,員工1000多人,注冊資本8000萬元,占地面積100畝;2017年8月29日在深交所中小板A股上市(股票代碼002896);2018年實現營業收入5.99億元。公司系國家級高新技術企業,主導和參與起草國家及行業標準6項,“浙江制造”標準2項,專利87項,擁有浙江省級企業研發中心,主導產品被認定為“浙江省名牌產品”,綜合實力居慈溪市工業企業二十強。
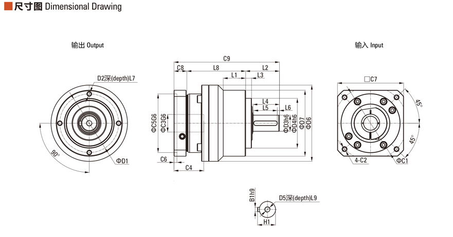
高精密行星減速器,行星減速機,伺服減速機,伺服減速器ZE系列規格型號說明




